蓄電池充電機充電電路設計需要注意哪些問題?
2019-1-28 14:20:37??????點擊:
通常為了提高電池充電時的可靠性和穩定性,我們會用蓄電池充電機電源管理芯片來控制電池充電的電壓與電流,但是在使用蓄電池充電機電源管理芯片設計充電電路時,我們往往對蓄電池充電機充電電路每個時間段的工作狀態及電路設計注意事項存在一些困惑,下面我們來簡單討論。
電池充電方式簡介
理論上為了防止因充電不當而造成電池壽命縮短,我們將電池的充電過程分為四個階段:涓流充電(低壓預充,此狀態的電池電壓比較低,實際使用時,建議將鋰電池欠壓保護點提高,避免電池出現過放電現象)、恒流充電、恒壓充電以及充電終止。典型的蓄電池充電機充電方式是:先檢測待充電電池的電壓,在電池電壓較低情況下,先進行預充電,充電電流為設定的最大充電電流的1/10,當電池電壓升到一定值后,進入標準充電過程。標準充電過程為:以最大充電電流進行恒流充電,電池電壓持續穩定上升,當電池電壓升到接近設定的最大電壓時,改為恒壓充電,此時,充電電流逐漸下降,當電流下降至最大充電電流的1/10時,充電結束。圖1為充電曲線:

圖1
但在實際應用中,為增加電池充放電循環次數和縮短充電時間,我們會將鋰電池欠壓保護點提高,同時設定的充電終止電壓低于標稱值,這樣電池便不會存在過充與過放現象,且可以避開“預充電”階段,直接進行大電流充電,縮短充電時間。
電池充電電路設計注意事項
若設計的蓄電池充電機充電電路沒有防倒灌保護,將會產生許多危害。以輸出端接2節鋰電池串聯為例,若僅將電源去除,蓄電池充電機沒有移除,電池內的電流倒灌至充電電路中,導致電池電量白白損失。且更嚴重的安全隱患是:對于降壓電源芯片來說,電池電流從輸出端,經芯片內部功率管寄生的二極管倒灌至芯片的VIN端,當電路的輸出端電壓(電池電壓)低于設定值時,芯片FB點電壓相應的也會低于標稱值,芯片開始工作來提高輸出端電壓;由于輸入端電壓幾乎與輸出端相等,對于降壓芯片來說,輸入端無法給輸出端提供能量,導致FB點電壓一直低于標稱值,芯片進入占空比100%的工作狀態。此時若是輸入端突然恢復供電,輸入端電源會經過已經打開的功率管直接把能量輸送到輸出端,由于輸入輸出存在壓差,瞬間會有比較大的電流流過功率管,若此時由于其它不可控的原因導致芯片未能及時有效做出響應來關閉功率管,這個大電流有可能會使芯片內部開關管損壞。因此在設計電池充電電路時,我們需要添加防倒灌的措施。
升壓方案由于續流二極管可以起到防倒灌的作用,所以一般不外加防倒灌措施。但是對于降壓方案,需要對電池充電電路添加防倒灌措施。
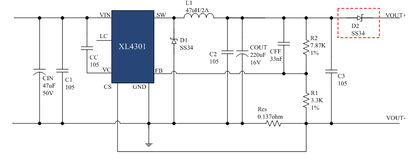
以XL4301蓄電池充電機充電電路為例,如圖2、圖3所示(紅色虛線框中為防電流倒灌電路)。輸入12V,輸出接單節鋰電池(3.1V- 4.3V),最大充電電流0.8A;其中最大充電電流IOUT=VCS/RCS=0.11/0.137≈0.803A,最大充電電壓VOUT=VFB*(1+R2/R1)=1.25*(1+7.87/3.3)≈4.231V。
圖2電路中,我們選擇一個肖特基二極管防止電流倒灌,這是簡單有效的方法。為降低肖特基D2溫度,選用的肖特基電流能力是充電電流2倍以上。

圖2
由于肖特基壓降比較大,會增加系統損耗;為減小防倒灌電路產生的損耗,我們可以采用MOS管來防止電流倒灌,如圖3。正常工作時,PMOS管導通,電流經過MOS管給鋰電池充電,MOS管功耗較小;當輸入端斷電時,PMOS關斷,起到防止電流倒灌的作用。其中DZ1的選取遵循VOUT<VDZ1 <VIN。

圖3
備注:當輸出端電壓小于8.4V時,電路中DZ2與R6可以省去。
電池充電方式簡介
理論上為了防止因充電不當而造成電池壽命縮短,我們將電池的充電過程分為四個階段:涓流充電(低壓預充,此狀態的電池電壓比較低,實際使用時,建議將鋰電池欠壓保護點提高,避免電池出現過放電現象)、恒流充電、恒壓充電以及充電終止。典型的蓄電池充電機充電方式是:先檢測待充電電池的電壓,在電池電壓較低情況下,先進行預充電,充電電流為設定的最大充電電流的1/10,當電池電壓升到一定值后,進入標準充電過程。標準充電過程為:以最大充電電流進行恒流充電,電池電壓持續穩定上升,當電池電壓升到接近設定的最大電壓時,改為恒壓充電,此時,充電電流逐漸下降,當電流下降至最大充電電流的1/10時,充電結束。圖1為充電曲線:

圖1
但在實際應用中,為增加電池充放電循環次數和縮短充電時間,我們會將鋰電池欠壓保護點提高,同時設定的充電終止電壓低于標稱值,這樣電池便不會存在過充與過放現象,且可以避開“預充電”階段,直接進行大電流充電,縮短充電時間。
電池充電電路設計注意事項
若設計的蓄電池充電機充電電路沒有防倒灌保護,將會產生許多危害。以輸出端接2節鋰電池串聯為例,若僅將電源去除,蓄電池充電機沒有移除,電池內的電流倒灌至充電電路中,導致電池電量白白損失。且更嚴重的安全隱患是:對于降壓電源芯片來說,電池電流從輸出端,經芯片內部功率管寄生的二極管倒灌至芯片的VIN端,當電路的輸出端電壓(電池電壓)低于設定值時,芯片FB點電壓相應的也會低于標稱值,芯片開始工作來提高輸出端電壓;由于輸入端電壓幾乎與輸出端相等,對于降壓芯片來說,輸入端無法給輸出端提供能量,導致FB點電壓一直低于標稱值,芯片進入占空比100%的工作狀態。此時若是輸入端突然恢復供電,輸入端電源會經過已經打開的功率管直接把能量輸送到輸出端,由于輸入輸出存在壓差,瞬間會有比較大的電流流過功率管,若此時由于其它不可控的原因導致芯片未能及時有效做出響應來關閉功率管,這個大電流有可能會使芯片內部開關管損壞。因此在設計電池充電電路時,我們需要添加防倒灌的措施。
升壓方案由于續流二極管可以起到防倒灌的作用,所以一般不外加防倒灌措施。但是對于降壓方案,需要對電池充電電路添加防倒灌措施。
以XL4301蓄電池充電機充電電路為例,如圖2、圖3所示(紅色虛線框中為防電流倒灌電路)。輸入12V,輸出接單節鋰電池(3.1V- 4.3V),最大充電電流0.8A;其中最大充電電流IOUT=VCS/RCS=0.11/0.137≈0.803A,最大充電電壓VOUT=VFB*(1+R2/R1)=1.25*(1+7.87/3.3)≈4.231V。
圖2電路中,我們選擇一個肖特基二極管防止電流倒灌,這是簡單有效的方法。為降低肖特基D2溫度,選用的肖特基電流能力是充電電流2倍以上。

圖2
由于肖特基壓降比較大,會增加系統損耗;為減小防倒灌電路產生的損耗,我們可以采用MOS管來防止電流倒灌,如圖3。正常工作時,PMOS管導通,電流經過MOS管給鋰電池充電,MOS管功耗較小;當輸入端斷電時,PMOS關斷,起到防止電流倒灌的作用。其中DZ1的選取遵循VOUT<VDZ1 <VIN。

圖3
備注:當輸出端電壓小于8.4V時,電路中DZ2與R6可以省去。
- 上一篇:退役充電機充電動力鋰電池開始蠶食鉛酸電池市場 但儲能市場撼得 2019/2/19
- 下一篇:智能充電機充電鋰電池極片電導率測試方法及其影響因素 2019/1/28
